«Информтест QtРегистратор» – это кроссплатформенное программное обеспечение для создания телеметрических информационно-управляющих систем. «Информтест QtРегистратор» позволяет создавать и развертывать многоканальные системы измерения и управления с использованием современных разработок измерительной аппаратуры стандартов PXIe, AXIe, LXI, VXI. Программное обеспечение поставляется как для ОС семейства «Microsoft Windows», так и «AstraLinux».
Одним из ключевых достоинств ПО «Информтест QtРегистратор» является отсутствие зависимости от стандарта измерительной аппаратуры и от типов интерфейса. Поэтому аппаратное решение подбирается исходя из требуемой точности измерения, наличия гальванической развязки, частоты сэмплирования отсчётов и многих других параметров.
«Информтест QtРегистратор» обеспечивает регистрацию и сбор данных с телеметрических систем, медленно- и быстроменяющихся параметров любой сложности. Получаемые данные записываются на носитель информации небольшими порциями для обеспечения их целостности в нештатных ситуациях.
Программное обеспечение «Информтест QtРегистратор» объединяет измерительную и управляющую части программно-аппаратных комплексов. Сценарии использования программного обеспечения «Информтест QtРегистратор»: автоматизированные системы управления процессами (контроль и поддержание параметров: давления, температуры и др.), системы тестирования, системы диспетчерского управления и т.д. Таким образом, Заказчик получает легко настраиваемый и управляемый инструмент для проведения экспериментов, просто добавляя обработку данных, управление, логику эксперимента, описанную кодом на JavaScript – одном из самых популярных языков программирования в мире.
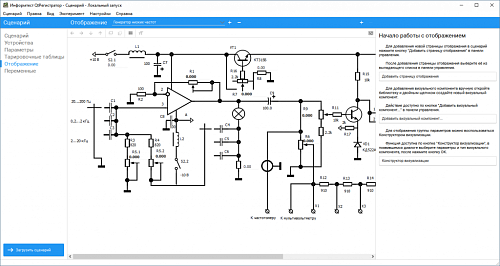
В ходе эксперимента процесс управления процессами измерительно-вычислительного комплекса происходит с помощью визуальных компонентов: запуск циклограмм управления, переключение режимов работы во время испытания и др. Широкий выбор компонентов визуализации позволяет пользователю настроить индивидуальное отображение под собственный эксперимент с возможностью задания предустановок, используемых по умолчанию. ПО имеет простой в использовании интерфейс пользователя. Во время работы с программой пользователю доступны подсказки и полное руководство оператора на программное обеспечение.
Примеры наборов визуализации данных в процессе эксперимента, компоненты мнемосхем:
- цифровой элемент
- анимация
- значение
- лампочка
- группа (позволяет объединить набор визуальных компонентов в один компонент)
- бак
- индикатор
- метка
- осциллограф
- изображение
- IP камера
- соединитель
- протокол
- кнопка
- управлением циклограммами
- переключатель
- ручной ввод
- циферблат
- таблица параметров
Функции ПО
- поддержка измерительного оборудования различных стандартов: PXIe, AXIe, LXI, VXI, Ethernet, USB и др.
- автоматическое определение оборудования измерительной системы
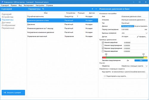
- база данных сценариев с доступом по сети
- сбор и регистрация данных с измерительных статических и динамических каналов
- обмен измеренными («сырыми») и пересчитанными данными по сети с использованием ПО «Информтест Сервер Данных» (с открытым программным интерфейсом) и ПО «Информтест Брокер» (с открытым программным интерфейсом)
- пересчёт из электрических единиц измерения в физические с использованием тарировочных характеристик и формул
- выдача команд на управляющие каналы
- исполнение циклограмм управления дискретными каналами
- протоколирование в процессе эксперимента
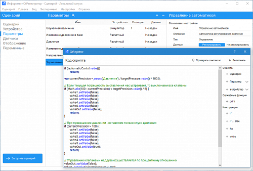
- математическая обработка данных с возможностью написания собственных алгоритмов
- визуализация данных эксперимента в реальном времени в графическом и цифровом представлении
- поддержка мнемосхем
- графический редактор для построения мнемосхем
- анализ и контроль информации в процессе измерения
- поддержка пользовательских алгоритмов управления в ручном и автоматическом режимах
- приём, отображение и регистрация изображения с IP-камер
- возможность удалённого управления экспериментом
- создание отчётов по проведенному эксперименту
- настройка запуска регистрации по расписанию и по условиям
- поддержка базы данных датчиков
Состав
Преимуществом ПО «Информтест QtРегистратор» является модульная архитектура, которая позволяет вносить изменения, производить доработку и заменять части программного обеспечения без переработки всей системы целиком, что значительно экономит время разработки и уменьшает количество возможных ошибок.
Расширение функционала QtРегистратора производится за счёт написания модулей расширения (плагинов). Информтест QtРегистратор поддерживает следующие типы плагинов поддержки аппаратных устройств:
1.телеметрия датчиков:
- потенциометрические измерения
- температурные измерения
- измерения давления
- тензоизмерения
- датчики с цифровым выходом (1-wire)
2.аналоговые измерения
- осциллографирование
- данные мультиметров
- данные ЦАП (диджитайзеры)
3.формирование управляющих воздействий и источники
- управление источниками питания
- генерация «Разовых команд»
- управление различными коммутаторами
- плагины генераторов и средств воспроизведения сигналов
4. поддержка цифровых интерфейсов
- ММКО (МКИО)
- CAN
- 1-wire
- Arinc 429
ПО «Информтест QtРегистратор» поддерживает следующие типы плагинов обработки данных:
- линейное преобразование
- полиномиальное преобразование
- пересчёт в децибелы
- вычисление квадратного корня, логарифма, модуля, степенной функции
- среднее арифметическое и геометрическое
- счётчик импульсов
- счётчик двойных ходов
- вычисление суммы с накоплением
- вычисление суммы с накоплением с выбором направления
- вычисление процентных соотношений
- скользящее среднее
- тарирование по градуировочной таблице
- обработка данных, описанная алгоритмом на языке JavaScript
- обработка данных, описанная алгоритмом на языке С++
- нахождение минимальных и максимальных значений
- обработка данных с помощью датчиков
ПО «Информтест QtРегистратор» имеет программные симуляторы различных сигналов, не требующие подключения аппаратуры:
- логический симулятор
- симуляторы периодичных и непериодичных данных
- генераторы шума и сигналов заданного вида
